
BEST
yomiyom***님이
비즈폼을 추천합니다.
비즈폼을 추천합니다.
비즈폼으로 일의 효율을 바꾸세요.
하루 300원으로 문서 작성 시간을 월 평균 20시간 절약하세요!
프리미엄 멤버십
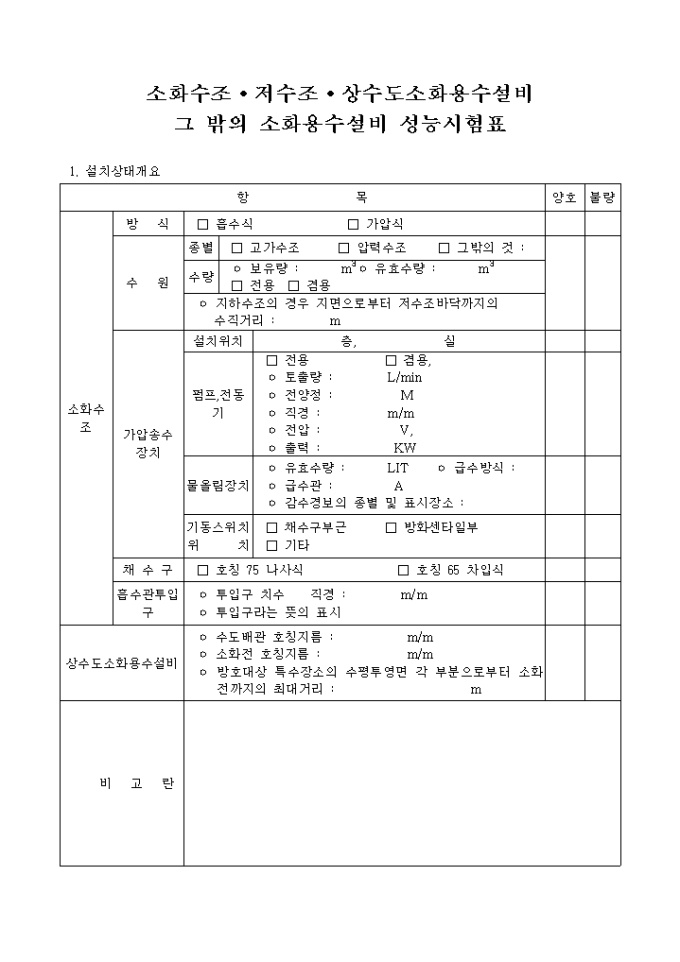
9,000원/월소화수조,저수조,상수도소화용수설비그밖의소화용수설비성능시험표 입니다.
□ 전용 □ 겸용,
토출량 : L/min
전양정 : M
직경 : m/m
전압 : V,
출력 : KW
...

아르바이트 급여관리프로그램을 따로 하고싶어서 이곳저곳 많은 사이트 두리번 거리다가 비즈폼 발견해서 지금도 잘 쓰고 있어요. 단품으로 급여관리랑 라벨지만 따로 구입...
시급제 급여관리 프로그램(4대보험요율 자동 업데이트, 급여대장, 급여명세서, 급여입금내역서, 급여통계관리)
작은 네일샵을 운영하고 있는데 수기로 장부를 쓰니까 직원들 글자마다 알아볼수도 없고 작년 정보는 찾기도 어려워서 단품으로 살까 프리미엄 회원제를 할까 고민고민하다...
회원관리 프로그램(회원등록,회원명부,회비납부관리)
이번주 무료메일에서 무료다운로드 받으실 수 있습니다.
회원님의 메일함을 확인해주세요! (매주 화요일 발송)
※ 이번주에 신청하시면, 다음주 메일부터 받아보실 수 있습니다.