
BEST
lenoroo***님이
비즈폼을 추천합니다.
비즈폼을 추천합니다.
비즈폼으로 일의 효율을 바꾸세요.
하루 300원으로 문서 작성 시간을 월 평균 20시간 절약하세요!
프리미엄 멤버십
9,000원/월
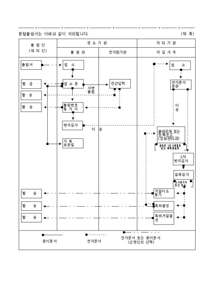
이 서식은 [별지 제18호서식]분할출원서로서 필요한 서류로는 요약서·명세서·도면 각 1통, 대리인에 의하여 절차를 밟는 경우 그 대리권을 증명하는 서류 1통, 기타 법령의 규정에 의한 증명서류 1통, 국제공개팜플렛 사본 1통(원출원이 국제출원인 경우에 한한다)이 있습니다.

경리와 공무를 같이 맡게 되었는데 건축공사지명원 지시를 받아서 너무 생소했는데 비즈폼에 이런 서식들이 있었네요. 서식은 다운받았고 그래도 생소하지만 이것저것 알아...
건축 공사지명원 (심플 노랑)
인테리어 회사라 견적서 작성할때 품목과 규격이 많아서 시간이 오래걸렸어요.
비즈폼 엑셀서식 맞춤제작을 알고 의뢰 드렸는데, 담당자분께서 진행도 빠르게
이번주 무료메일에서 무료다운로드 받으실 수 있습니다.
회원님의 메일함을 확인해주세요! (매주 화요일 발송)
※ 이번주에 신청하시면, 다음주 메일부터 받아보실 수 있습니다.