
BEST
nextuu***님이
비즈폼을 추천합니다.
비즈폼을 추천합니다.
비즈폼으로 일의 효율을 바꾸세요.
하루 300원으로 문서 작성 시간을 월 평균 20시간 절약하세요!
프리미엄 멤버십
9,000원/월
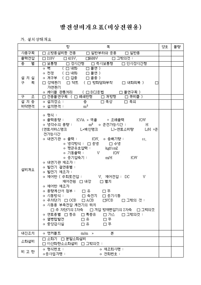
발전설비개요표,비상전원용 입니다.
사용구획,출력전압,종별,설치실 구획,구조,설치층 바닥면적,설비개요등의 세부 내역으로 구성된 양식입니다.

인테리어 회사라 견적서 작성할때 품목과 규격이 많아서 시간이 오래걸렸어요.
비즈폼 엑셀서식 맞춤제작을 알고 의뢰 드렸는데, 담당자분께서 진행도 빠르게

따로 회사에서 기장을 맡기고 있어서 간단하게 통장정리, 내역 보고용으로 쓸 서식을 찾고 있어서 이것저것 다운로드 해봤는데 제가 딱 원하는 서식을 찾았습니다. 군더...
입출금 통합관리(대시보드, 금전출납부, 총계정원장, 일계표, 월계표, 년계표)
이번주 무료메일에서 무료다운로드 받으실 수 있습니다.
회원님의 메일함을 확인해주세요! (매주 화요일 발송)
※ 이번주에 신청하시면, 다음주 메일부터 받아보실 수 있습니다.